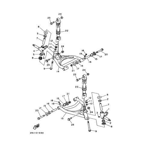
Artikelname: SCHRAUBE, MIT SCHEIBE (BOLT, FLANGE)
Hersteller: Yamaha
OEM Nummer: 90105-10274 (9010510274)
Kategorien: Federung & Rad
2013
GRIZZLY 125 (YFM125A)
2012
GRIZZLY 125 (YFM125A)
2011
GRIZZLY 125 (YFM125A)
2010
GRIZZLY 125 (YFM125A)
2009
YFM50
GRIZZLY 125 (YFM125A)
2008
YFM80 (YFM80W)
YFM50
GRIZZLY 125 (YFM125A)
Yamaha Motor Co., Ltd.
YAMAHA MOTOR EUROPE N.V.
Hansemannstraße 12, 41468 Neuss
Postfach 21 06 53, 41432 Neuss
Deutschland
https://global.yamaha-motor.com/
https://www.yamaha-motor.eu/de