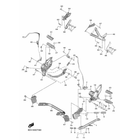
Artikelname: SCHRAUBE, MIT SCHEIBE (BOLT, FLANGE)
Hersteller: Yamaha
OEM Nummer: 90105-10329 (9010510329)
Kategorien: Ständer & Fussraste
2023
NIKEN GT (MXT890D)
2020
NIKEN GT (MXT850D)
NIKEN (MXT850)
2019
VK540V (VK540F)
NIKEN GT (MXT850D)
VK PROFESSIONAL II EPS (VK10G)
2018
NIKEN (MXT850)
Yamaha Motor Co., Ltd.
YAMAHA MOTOR EUROPE N.V.
Hansemannstraße 12, 41468 Neuss
Postfach 21 06 53, 41432 Neuss
Deutschland
https://global.yamaha-motor.com/
https://www.yamaha-motor.eu/de