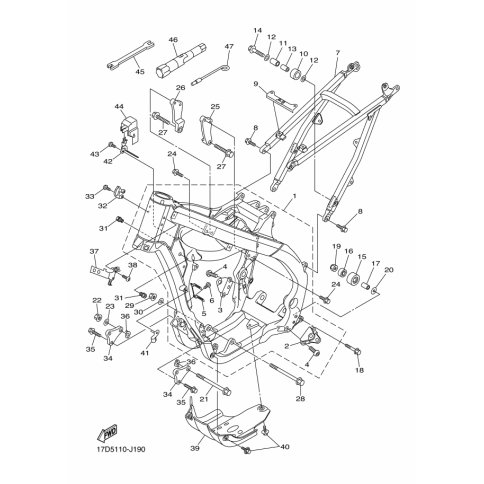
Artikelname: SCHRAUBE, MIT SCHEIBE (BOLT, FLANGE)
Hersteller: Yamaha
OEM Nummer: 90105-10361 (9010510361)
Kategorien: Rahmen
2020
XMAX 125 ABS (YP125RA)
XMAX 125 TECH MAX (YP125RA)
2019
YZ450F (YZ450F)
YZ250F (YZ250F)
XMAX 125 ABS (YP125RA)
WR450F (WR450F)
2018
XMAX 125 ABS (YP125RA)
YZ450F (YZ450F)
2017
XMAX 125 ABS (YP125RA)
2016
XMAX 125 (YP125R)
XMAX 250 (YP250R)
XMAX 125 ABS (YP125RA)
XMAX 250 ABS (YP250RA)
2015
XMAX 250 ABS (YP250RA)
XMAX 125 (YP125R)
XMAX 125 ABS (YP125RA)
XMAX 250 (YP250R)
2014
XMAX 250 (YP250R)
XMAX 125 (YP125R)
XMAX 250 ABS (YP250RA)
XMAX 125 ABS (YP125RA)
2013
YZ250F (YZ250F)
2012
YZ250F (YZ250F)
2011
YZ250F (YZ250F)
2010
YZ250F (YZ250F)
Yamaha Motor Co., Ltd.
YAMAHA MOTOR EUROPE N.V.
Hansemannstraße 12, 41468 Neuss
Postfach 21 06 53, 41432 Neuss
Deutschland
https://global.yamaha-motor.com/
https://www.yamaha-motor.eu/de