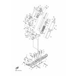
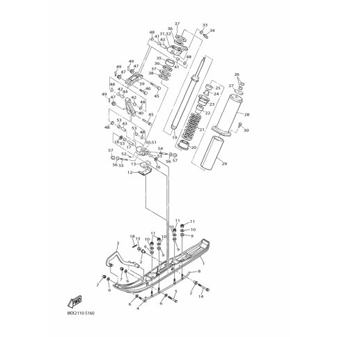
Artikelname: SCHRAUBE, MIT SCHEIBE (BOLT, FLANGE)
Hersteller: Yamaha
OEM Nummer: 90105-10410 (9010510410)
Kategorien: Allgemein
2019
VK540V (VK540F)
Yamaha Motor Co., Ltd.
YAMAHA MOTOR EUROPE N.V.
Hansemannstraße 12, 41468 Neuss
Postfach 21 06 53, 41432 Neuss
Deutschland
https://global.yamaha-motor.com/
https://www.yamaha-motor.eu/de