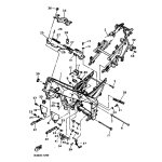
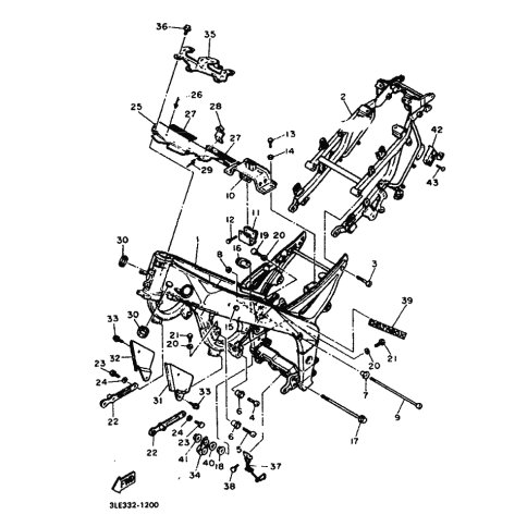
Artikelname: SCHRAUBE, MIT SCHEIBE (BOLT, WASHER BASED)
Hersteller: Yamaha
OEM Nummer: 90105-10559 (9010510559)
Kategorien: Rahmen
1993
YZF750R
YZF750SP
FZR1000
1992
FZR1000
1991
FZR1000
1990
FZR1000
1989
FZR1000
Yamaha Motor Co., Ltd.
YAMAHA MOTOR EUROPE N.V.
Hansemannstraße 12, 41468 Neuss
Postfach 21 06 53, 41432 Neuss
Deutschland
https://global.yamaha-motor.com/
https://www.yamaha-motor.eu/de