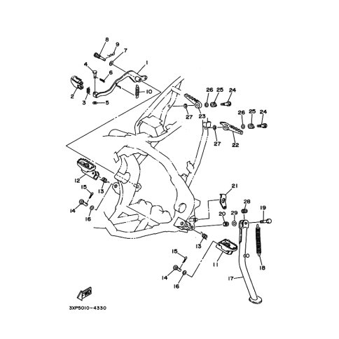
Artikelname: SCHRAUBE, MIT SCHEIBE (BOLT, FLANGE)
Hersteller: Yamaha
OEM Nummer: 90105-10728 (9010510728)
Kategorien: Ständer & Fussraste, Allgemein, Federung & Rad
2006
RX-1 Mountain (RX10M)
2005
RSVenture (RS10VT)
RSVenture TF (RSV10)
2004
RX-1 ER (RX10R)
RXWarrior (RX10)
2003
RX-1 Mountain (RX10M)
RX-1 ER (RX10R)
1999
WR400F
1998
WR400F
1997
TT250R
1996
DRAGSTAR 400 (XVS400)
Raid (TT250R RAID)
TIMBERWOLF 4WD (YFB250FW)
TT250R
1995
TT250R
Raid (TT250R RAID)
TIMBERWOLF 4WD (YFB250FW)
WR200R
1994
TIMBERWOLF 4WD (YFB250FW)
TT250R
WR200R
Raid (TT250R RAID)
DT200WR
1993
DT200WR
TT250R
Yamaha Motor Co., Ltd.
YAMAHA MOTOR EUROPE N.V.
Hansemannstraße 12, 41468 Neuss
Postfach 21 06 53, 41432 Neuss
Deutschland
https://global.yamaha-motor.com/
https://www.yamaha-motor.eu/de