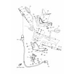
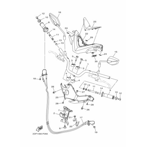
Artikelname: SCHRAUBE, MIT SCHEIBE (BOLT, FLANGE)
Hersteller: Yamaha
OEM Nummer: 90105-10896 (9010510896)
Kategorien: Lenker, Griff & Kabel
2022
NEO'S (ESS025)
2021
NMAX 125 (GPD125-A)
2020
NMAX 150 (GPD150-A)
NMAX 125 (GPD125-A)
2019
NMAX 150 (GPD150-A)
NMAX 125 (GPD125-A)
2018
NMAX 125 (GPD125-A)
NMAX 150 (GPD150-A)
2017
NMAX 125 (GPD125-A)
NMAX 150 (GPD150-A)
2015
NMAX 125 (GPD125-A)
Yamaha Motor Co., Ltd.
YAMAHA MOTOR EUROPE N.V.
Hansemannstraße 12, 41468 Neuss
Postfach 21 06 53, 41432 Neuss
Deutschland
https://global.yamaha-motor.com/
https://www.yamaha-motor.eu/de