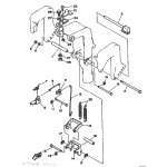
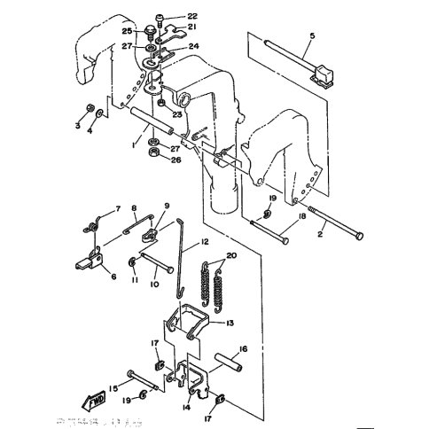
Artikelname: SCHRAUBE, MIT SCHEIBE (BOLT, WASHER BASED)
Hersteller: Yamaha
OEM Nummer: 90105-10M30 (9010510M30)
Kategorien: Allgemein
1995
F9.9A
1994
F9.9A
1993
F9.9A
1992
F9.9A
1991
F9.9A
1990
F9.9A
1989
F8AM
F9.9A
Yamaha Motor Co., Ltd.
YAMAHA MOTOR EUROPE N.V.
Hansemannstraße 12, 41468 Neuss
Postfach 21 06 53, 41432 Neuss
Deutschland
https://global.yamaha-motor.com/
https://www.yamaha-motor.eu/de