Artikelname: SCHRAUBE (BOLT)
Hersteller: Yamaha
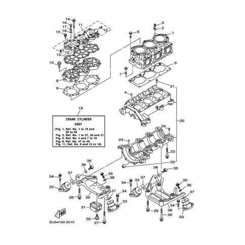
OEM Nummer: 90109-06M98 (9010906M98)
Kategorien: Allgemein
2004
JET FOR SV1200Y
SUV1200 (SV1200-C)
2003
JET FOR SV1200Y
SUV1200 (SV1200-B)
2002
SUV1200 (SV1200-A)
JET FOR SV1200Y
2001
SUV1200 (SV1200A-Z)
JET FOR SV1200
SUV1200 (SV1200Z)
JET FOR SV1200Y
2000
SUV1200 (SV1200AY)
JET FOR SV1200
JET FOR SV1200Y
SUV1200 (SV1200Y)
Yamaha Motor Co., Ltd.
YAMAHA MOTOR EUROPE N.V.
Hansemannstraße 12, 41468 Neuss
Postfach 21 06 53, 41432 Neuss
Deutschland
https://global.yamaha-motor.com/
https://www.yamaha-motor.eu/de