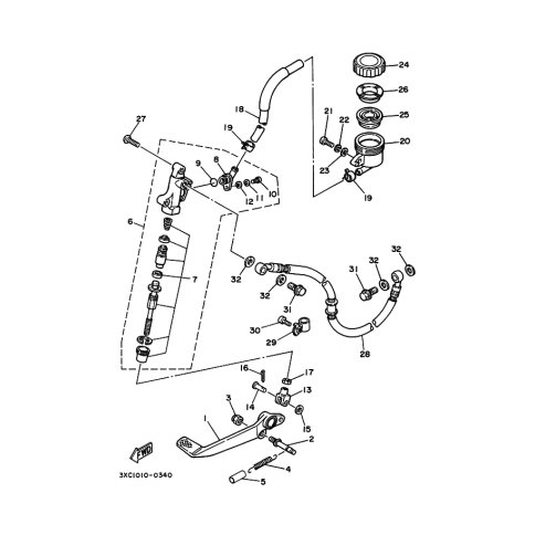
Artikelname: SCHRAUBE (BOLT)
Hersteller: Yamaha
OEM Nummer: 90109-084F7 (90109084F7)
Kategorien: Lenkung, Allgemein, Hauptbremszylinder Hinten
2022
YZF-R7 (YZF690)
YZF-R7 (YZF690-U)
2003
MAJESTY 250 ABS (YP250A)
MAJESTY 250 (YP250)
TZ250
2002
MAJESTY 250 (YP250)
TZ250
2001
MAJESTY 250 (YP250A)
MAJESTY 250 (YP250)
SKYLINER 250 (YP250)
VIRAGO 535 (XV535)
2000
MAJESTY 250 (YP250)
SKYLINER 250 (YP250)
1992
R1-Z
1991
R1-Z
Yamaha Motor Co., Ltd.
YAMAHA MOTOR EUROPE N.V.
Hansemannstraße 12, 41468 Neuss
Postfach 21 06 53, 41432 Neuss
Deutschland
https://global.yamaha-motor.com/
https://www.yamaha-motor.eu/de