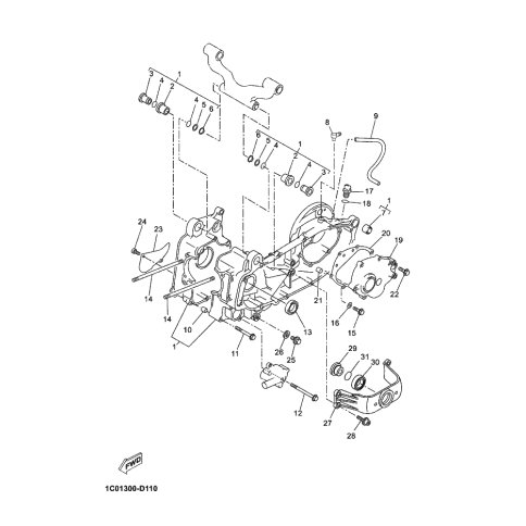
Artikelname: SCHRAUBE (BOLT)
Hersteller: Yamaha
OEM Nummer: 90109-08X04 (9010908X04)
Kategorien: Kurbelgehäuse
2005
XMAX 250 (YP250R)
2002
VERSITY (VP300)
KILIBRE (VP300)
Yamaha Motor Co., Ltd.
YAMAHA MOTOR EUROPE N.V.
Hansemannstraße 12, 41468 Neuss
Postfach 21 06 53, 41432 Neuss
Deutschland
https://global.yamaha-motor.com/
https://www.yamaha-motor.eu/de