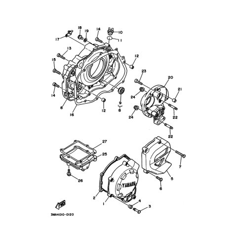
Artikelname: INNENSECHSKANTSCHRAUBE (BOLT, HEXAGON SOCKET HEAD)
Hersteller: Yamaha
OEM Nummer: 90110-06159 (9011006159)
Kategorien: Allgemein
1990
TZR250SP
1988
XL540L
Yamaha Motor Co., Ltd.
YAMAHA MOTOR EUROPE N.V.
Hansemannstraße 12, 41468 Neuss
Postfach 21 06 53, 41432 Neuss
Deutschland
https://global.yamaha-motor.com/
https://www.yamaha-motor.eu/de