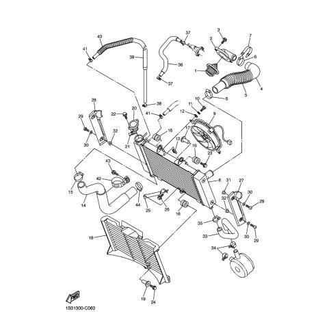
Artikelname: SCHRAUBE (BOLT)
Hersteller: Yamaha
OEM Nummer: 90111-06022 (9011106022)
Kategorien: Kühler & Schlauch
2004
FZ6 NAKED (FZ6-N)
Yamaha Motor Co., Ltd.
YAMAHA MOTOR EUROPE N.V.
Hansemannstraße 12, 41468 Neuss
Postfach 21 06 53, 41432 Neuss
Deutschland
https://global.yamaha-motor.com/
https://www.yamaha-motor.eu/de