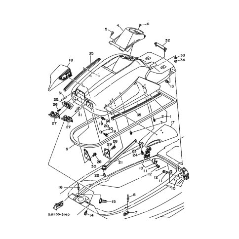
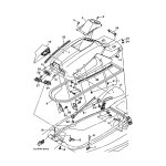
Artikelname: SCHRAUBE, MIT SCHEIBE (BOLT, WITH WASHER)
Hersteller: Yamaha
OEM Nummer: 90119-06940 (9011906940)
Kategorien: Allgemein, Sitz, Öltank
1997
RA700BV
1996
RA760U RA760
WRA650T
WAVEBLASTER 700 (WB700A)
WAVERAIDER 1100 (RA1100U)
RA700B
RA760
1995
RA700A
WAVERAIDER 1100 (RA1100)
Yamaha Motor Co., Ltd.
YAMAHA MOTOR EUROPE N.V.
Hansemannstraße 12, 41468 Neuss
Postfach 21 06 53, 41432 Neuss
Deutschland
https://global.yamaha-motor.com/
https://www.yamaha-motor.eu/de