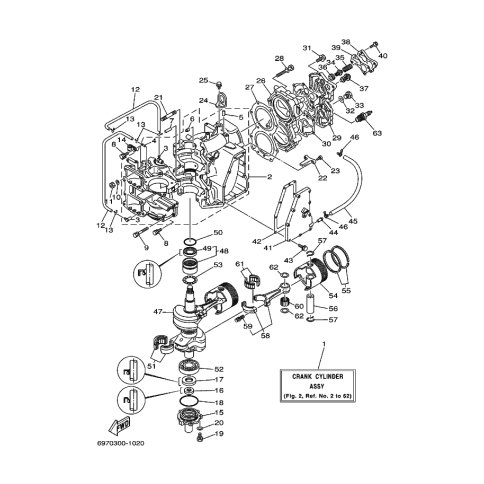
Artikelname: SCHRAUBE, MIT SCHEIBE (BOLT, WITH WASHER)
Hersteller: Yamaha
OEM Nummer: 90119-08018 (9011908018)
Kategorien: Allgemein
2002
55B
2001
55B
Yamaha Motor Co., Ltd.
YAMAHA MOTOR EUROPE N.V.
Hansemannstraße 12, 41468 Neuss
Postfach 21 06 53, 41432 Neuss
Deutschland
https://global.yamaha-motor.com/
https://www.yamaha-motor.eu/de