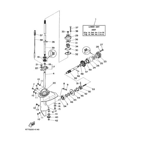
Artikelname: SCHRAUBE (SCREW)
Hersteller: Yamaha
OEM Nummer: 90149-06003 (9014906003)
Kategorien: Allgemein
2003
E8D
1999
E8D
1997
E8D
Yamaha Motor Co., Ltd.
YAMAHA MOTOR EUROPE N.V.
Hansemannstraße 12, 41468 Neuss
Postfach 21 06 53, 41432 Neuss
Deutschland
https://global.yamaha-motor.com/
https://www.yamaha-motor.eu/de