Artikelname: SCHRAUBE (SCREW)
Hersteller: Yamaha
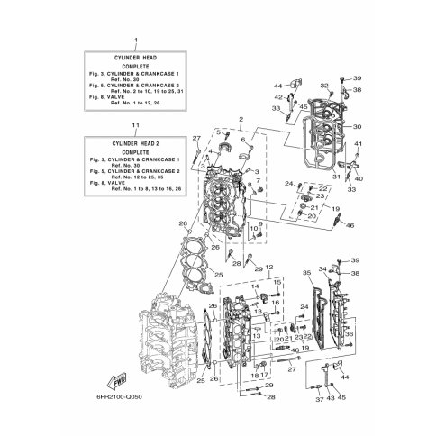
OEM Nummer: 90149-11001 (9014911001)
Kategorien: Allgemein
2020
F225FETX
FL200GETX
F200FETX
FL225FETX
F250DETX
F300BETX
F175CETX
FL150GETX
FL175CETX
FL300BETX
FL200FETX
FL250DETX
F175AETX
F200GETX
F150GETX
2019
FL250L
F200G
F300B
FL225F
FL350A
F375A
FL250D
FL300B
F250D
F200F
F225B
F350A
F175A
F425A
FL175C
FL200F
FL225H
F175C
F250L
FL300C
F225F
FL150G
F225H
F300C
F150G
FL200G
2018
F375A
F425A
Yamaha Motor Co., Ltd.
YAMAHA MOTOR EUROPE N.V.
Hansemannstraße 12, 41468 Neuss
Postfach 21 06 53, 41432 Neuss
Deutschland
https://global.yamaha-motor.com/
https://www.yamaha-motor.eu/de