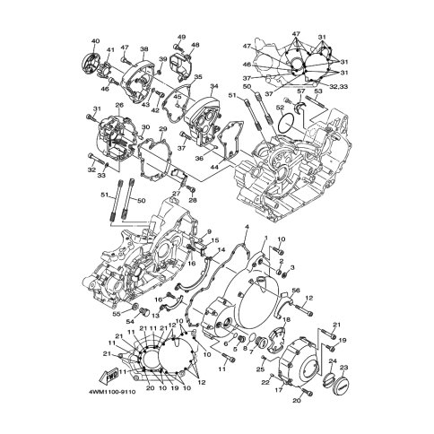
Artikelname: SENKSCHRAUBE (SCREW, COUNTERSUNK)
Hersteller: Yamaha
OEM Nummer: 90151-05001 (9015105001)
Kategorien: Kurbelgehäusedeckel, Allgemein
2004
ROAD STAR WARRIOR (XV1700PC)
2003
ROAD STAR WARRIOR (XV1700PC)
2002
WILD STAR (XV1600A)
ROAD STAR (XV1700PC)
2001
WILD STAR (XV1600A)
2000
WILD STAR (XV1600A)
1999
Wild Star (XV1600A)
XV1600
Yamaha Motor Co., Ltd.
YAMAHA MOTOR EUROPE N.V.
Hansemannstraße 12, 41468 Neuss
Postfach 21 06 53, 41432 Neuss
Deutschland
https://global.yamaha-motor.com/
https://www.yamaha-motor.eu/de