Artikelname: SECHSKANTSCHRAUBE (SCREW, HEXAGON)
Hersteller: Yamaha
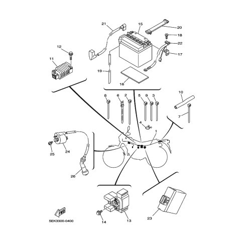
OEM Nummer: 90153-06001 (9015306001)
Kategorien: Elektrik 1, Allgemein
2002
TW225E
2001
TW125 (TW125)
TW125
1998
CW50RSP
Yamaha Motor Co., Ltd.
YAMAHA MOTOR EUROPE N.V.
Hansemannstraße 12, 41468 Neuss
Postfach 21 06 53, 41432 Neuss
Deutschland
https://global.yamaha-motor.com/
https://www.yamaha-motor.eu/de