Artikelname: SCHRAUBE, MIT SCHEIBE (SCREW, WITH WASHER)
Hersteller: Yamaha
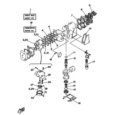
OEM Nummer: 90159-04007 (9015904007)
Kategorien: Reparatur Kit
1993
55B
1992
55B
1990
55B
Yamaha Motor Co., Ltd.
YAMAHA MOTOR EUROPE N.V.
Hansemannstraße 12, 41468 Neuss
Postfach 21 06 53, 41432 Neuss
Deutschland
https://global.yamaha-motor.com/
https://www.yamaha-motor.eu/de