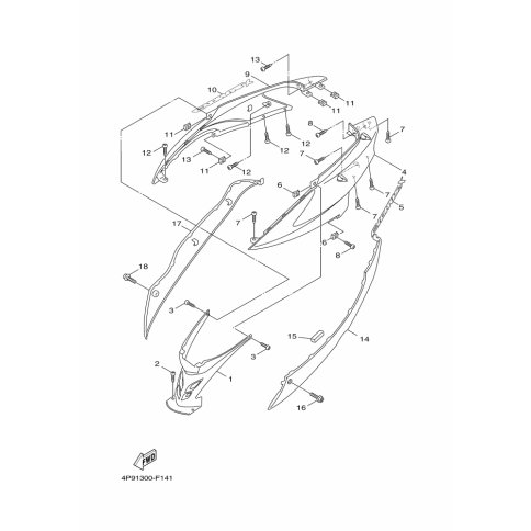
Artikelname: SCHRAUBE, MIT SCHEIBE (SCREW, WITH WASHER)
Hersteller: Yamaha
OEM Nummer: 90159-05804 (9015905804)
Kategorien: Seitendeckel
2012
CYGNUS (XC125)
2011
CYGNUS (XC125)
2010
CYGNUS (XC125)
Yamaha Motor Co., Ltd.
YAMAHA MOTOR EUROPE N.V.
Hansemannstraße 12, 41468 Neuss
Postfach 21 06 53, 41432 Neuss
Deutschland
https://global.yamaha-motor.com/
https://www.yamaha-motor.eu/de