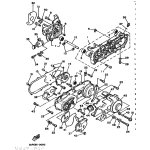
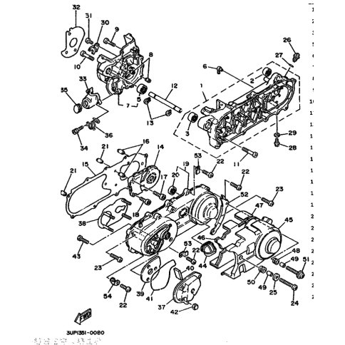
Artikelname: SCHRAUBE, MIT SCHEIBE (VIS, AVEC RONDELLE)
Hersteller: Yamaha
OEM Nummer: 90159-06151 (9015906151)
Kategorien: Seitendeckel, Kurbelgehäuse
1992
ACTIVE (CH80)
1990
ACTIVE (CH80)
1987
JOG (CG50E)
Yamaha Motor Co., Ltd.
YAMAHA MOTOR EUROPE N.V.
Hansemannstraße 12, 41468 Neuss
Postfach 21 06 53, 41432 Neuss
Deutschland
https://global.yamaha-motor.com/
https://www.yamaha-motor.eu/de