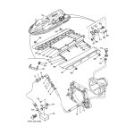
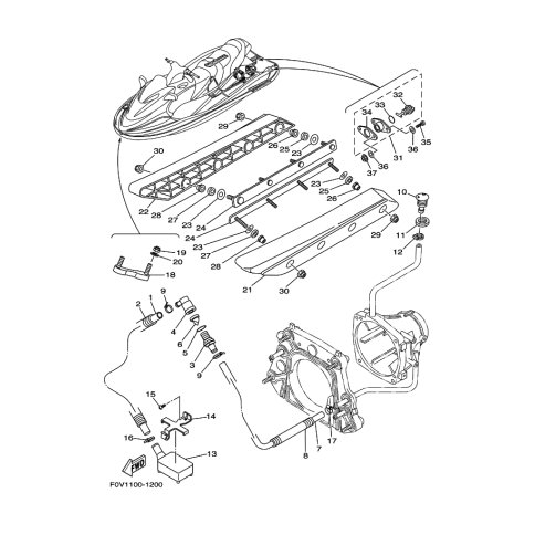
Artikelname: MUTTER (NUT)
Hersteller: Yamaha
OEM Nummer: 90170-08008 (9017008008)
Kategorien: Allgemein
2001
XLT1200 (XA1200A-Z)
JET FOR XA1200
Yamaha Motor Co., Ltd.
YAMAHA MOTOR EUROPE N.V.
Hansemannstraße 12, 41468 Neuss
Postfach 21 06 53, 41432 Neuss
Deutschland
https://global.yamaha-motor.com/
https://www.yamaha-motor.eu/de