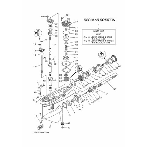
Artikelname: MUTTER (NUT)
Hersteller: Yamaha
OEM Nummer: 90170-16M01 (9017016M01)
Kategorien: Allgemein
2020
FL200GETX
F130AETX
F200FETX
F175CETX
FL150GETX
FL115BETX
FL175CETX
F115B
FL200FETX
F175AETX
F200GETX
F150GETX
2019
F150D
F200G
FT50J
F130A
F115B
F200F
F80D
F150F
F175A
E60H
FT60G
F70A
FL175C
FL200F
F175C
F100F
FL150D
F40G
FL150G
F150G
FL200G
FL115B
2018
F80D
F200G
F115B
F175C
F175A
FL150D
FL150G
F150F
F80B
FL115B
F150D
F40G
F70A
E60H
FL200G
FT50J
FL175C
F100D
F100F
F130A
90A
F200F
F150G
FL200F
FT60G
2017
F115B
F150D
F150G
FL150D
90A
F80B
FL175C
F70A
F200G
F80D
F200F
70B
F40G
FL115B
F130A
F175A
F175C
F100F
FL150G
FT50J
E60H
FT60G
F100D
FL200G
F150F
FL200F
2016
70B
FT50J
F40G
F150F
FL150D
E60H
F70A
FL200G
F115B
90A
F200F
FL115B
F100D
F200G
F80B
FL200F
75C
F130A
F175A
F150D
FT60G
2015
F70A
75C
FT60G
F100D
F200F
F115B
F150F
FL200F
FL115B
FL200G
F150D
F80B
F175A
F200G
FT50J
FL150D
70B
F115A
F40G
F130A
E60H
FL115A
90A
2014
70B
F175A
F70A
F115B
F200F
F80B
FL115A
F150A
F115A
FL115B
E60H
FT50J
F150B
FT60G
F100D
FL200F
FL150A
F40G
FL200G
75C
90A
F200G
2013
F40G
F80B
F115A
70B
F70A
FL200F
F100D
FL115A
F200F
FT50J
E60H
F200G
FL150A
90A
75C
FT60G
FL150B
F150B
F150A
FL200G
115C
2012
F100D
F80B
70B
F150A
F70A
FL150A
F100D Y12
F115A
F80C Y12
E60H Y12
90A
115C
F80C
F40G
FL115A
115C Y12
FL150B Y12
E60H
FT60D
FL150B
75C Y12
70B Y12
F100B Y12
90A Y12
FT50G Y12
F150B Y12
F40G Y12
F150B
F100B
FT50G
75C
2011
F150A
F100D
E60H
FT50G
F115A
FL115A
90A
F70A
70B
FT60D
F80C
115C
FL150A
75C
F40G
F80B
F100B
2010
200F
FT50G
F115A
FT60D
F100B
70B
F80C
L200F
F100D
E60H
F150A
75C
F80B
90A
FL115A
115C
FL150A
2009
F80C
L200F
FL150A
70B
115C
E60H
200F
FL115A
F100B
F100D
FT50G
225D
F115A
85A
90A
F150A
FT60D
75C
F80B
2008
70B
115C
FT50G
FL115A
75C
E60H
F80B
F150A
F100B
200F
90A
F100D
F115A
FT60D
FL150A
L200F
2007
E60H
F100B
FT50G
F100D
150F
Z150P
FT60D
130B
F150A
200F
Z200N
75A
FL115A
FT50C
70B
75C
Z150Q
FL150A
L200F
60F
Z175G
F115A
Z200P
90A
LZ200N
115C
F80B
LZ150P
2006
FL150A
70B
LZ200N
F100A
F115A
90A
150F
Z150Q
Z200N
L200F
Z175G
85A
F80B
E60H
F100B
115C
200F
FT50G
75A
F150A
60F
FL115A
130B
F100D
F80A
FT60B
FT50C
Z200P
FT60D
Z150P
LZ150P
75C
2005
FL115A
F150A
F75B
130B
150F
60F
FT60D
E60H
FL150A
Z150P
L200F
F100A
90A
F80A
200F
Z200P
F115A
LZ200N
Z200N
70B
FT50C
LZ150P
F80B
115C
FT50G
F100B
75A
FT60B
75C
Z175G
85A
Z150Q
F100D
2004
F150A
70B
FL150A
Z200P
75C
Z200N
150F
F80A
F115A
Z150Q
200F
Z175G
115C
E60H
LZ150P
FT50C
Z150P
FL115A
130B
90A
LZ200N
60F
FT60B
L200F
F100A
2003
F80A
70B
Z200N
225D
L200A
Z175G
Z150Q
200F
E60H
200A
150F
Z150P
F100B
200G
60F
85A
FT60B
L200F
175D
E115A
75A
F115A
FT50C
Z200P
F100A
115C
LZ150P
FL115A
L150F
LZ200N
75C
F100C
130B
90A
2002
Z150Q
150A
225D
Z200N
150F
F115A
LZ200N
FL115A
FT50B
Z175G
130B
Z150P
200G
60F
F100A
75A
F80A
175D
115B
D150H
LZ150P
85A
L200F
200F
115C
90A
E60H
70B
80A
2001
LZ150P
115C
80A
L150F
F115A
Z150Q
LZ200N
FT50B
Z150P
225D
130B
FL115A
D150H
Z200N
200G
70B
F100A
150A
175D
Z175H
75A
E60H
200F
115B
L200F
F80A
60F
150F
85A
100A
VZ200T
Z175G
90A
L130B
2000
FL115A
130B
F115A
70B
LZ200N
150F
115B
L150F
LZ150P
L130B
L200F
Z200N
115C
150A
85A
200G
60F
75A
FT50B
Z150P
80A
Z150Q
100A
F80A
F100A
90A
200F
225D
175D
1999
F100A
60F
FT50B
200G
D150H
130BETO
F80A
1998
75A
80A
FT50B
115B
70B
F50A
L200F
115C
85A
50GETO
L130BETO
90A
60F
225D
L150F
130BETO
150A
1997
L150F
115B
225D
175F
70B
175D
60F
E60HM
L130BETO
200F
FT50B
F50A
130B
L200F
100A
150G
80A
200G
50G
150F
90A
115C
1996
75A
L200F
50G
100A
90A
FT50B
225D
80A
200F
F50A
70B
150F
115B
L150F
E60HE
85A
200G
175D
60F
1995
75A
25B
150C
50G
90A
L130BETO
115B
130B
60F
85A
115C
L200BETO
70B
200B
175B
225B
80A
L150CETO
1994
130B
L150CETO
115C
60F
50GEO
ProV200
90A
150C
L130BETO
70B
200B
175B
L200BETO
25B
80A
225B
1993
175B
200CETO
200B
115C
L200BETO
225B
85A
90TLRR
115B
80A
130B
L130BETO
70B
60F
L150CETO
75A
150C
50GEO
1992
70B
80A
115C
150C
200CETO
75A
115B
225B
L130BETO
60F
L200BETO
90A
85AE
130B
200B
L150CETO
175B
1991
115B
L130BETO
PROV200
70B
175B
L200BETO
225B
75A
80A
90A
L150CETO
150C
85AE
130B
200B
60F
1990
70B
L150CETO
60F
85A
130B
115B
115C
150C
225B
L200ETD
75A
90A
175B
200ETD
80A
1989
80A
115B
140B
150A
L200A
60F
L150A
200AET
175A
225AETO
L140
70B
90A
1988
225AETO
150A
115B
140B
70B
175A
60F
200AET
80A
L150A
L200A
90A
1987
80A
225AETO
70B
150A
90A
60F
115A
140AET0
175A
200AET0
1986
175A
60F
70B
90A
150A
200AET0
80A
220AET
1985
150A
175A
115A
70B
90A
140AET0
80A
60F
200AETO
1984
220AET
200ETN
90A
115ETN
150ETN
175A
60F
140AET0
80A
70ETN
Yamaha Motor Co., Ltd.
YAMAHA MOTOR EUROPE N.V.
Hansemannstraße 12, 41468 Neuss
Postfach 21 06 53, 41432 Neuss
Deutschland
https://global.yamaha-motor.com/
https://www.yamaha-motor.eu/de