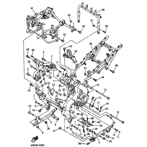
Artikelname: MUTTER (NUT)
Hersteller: Yamaha
OEM Nummer: 90179-10682 (9017910682)
Kategorien: Rahmen
2001
THUNDERACE (YZF1000R)
2000
THUNDERACE (YZF1000R)
1999
TZ250
1998
GTS1000
TZ250
THUNDERACE (YZF1000R)
GTS1000A
1997
THUNDERACE (YZF1000R)
TZ250
1996
YZF750R
TZ250
Yamaha Motor Co., Ltd.
YAMAHA MOTOR EUROPE N.V.
Hansemannstraße 12, 41468 Neuss
Postfach 21 06 53, 41432 Neuss
Deutschland
https://global.yamaha-motor.com/
https://www.yamaha-motor.eu/de