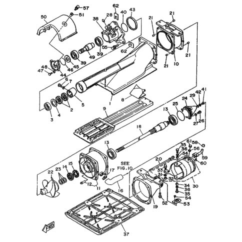
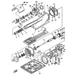
Artikelname: MUTTER (NUT)
Hersteller: Yamaha
OEM Nummer: 90179-10919 (9017910919)
Kategorien: Allgemein
1997
SJ650
WR500
1993
WAVERUNNER LX (WR650R)
1990
WJ500P
WR500S
WR650S
1989
WR650
Yamaha Motor Co., Ltd.
YAMAHA MOTOR EUROPE N.V.
Hansemannstraße 12, 41468 Neuss
Postfach 21 06 53, 41432 Neuss
Deutschland
https://global.yamaha-motor.com/
https://www.yamaha-motor.eu/de