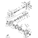
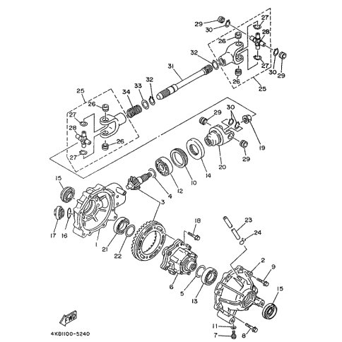
Artikelname: MUTTER (NUT)
Hersteller: Yamaha
OEM Nummer: 90179-16663 (9017916663)
Kategorien: Differential
1996
WOLVERINE 350 (YFM350FW-X)
Yamaha Motor Co., Ltd.
YAMAHA MOTOR EUROPE N.V.
Hansemannstraße 12, 41468 Neuss
Postfach 21 06 53, 41432 Neuss
Deutschland
https://global.yamaha-motor.com/
https://www.yamaha-motor.eu/de