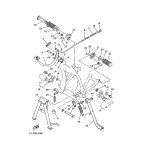
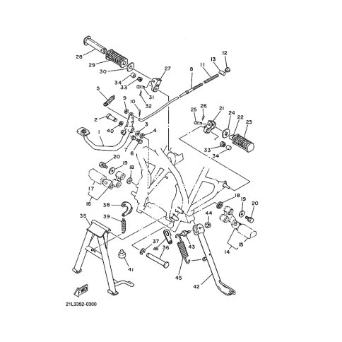
Artikelname: SCHEIBE (WASHER)
Hersteller: Yamaha
OEM Nummer: 90209-08805 (9020908805)
Kategorien: Staender & Fussraste, Ständer & Fussraste, Abdeckung
1996
SR250SP
SR250
1994
SR250
1993
SR250
1991
SR250
1990
SR250SP
Yamaha Motor Co., Ltd.
YAMAHA MOTOR EUROPE N.V.
Hansemannstraße 12, 41468 Neuss
Postfach 21 06 53, 41432 Neuss
Deutschland
https://global.yamaha-motor.com/
https://www.yamaha-motor.eu/de