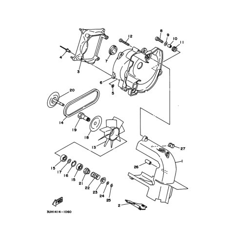
Artikelname: SCHEIBE (ARANDELA DE SEPARACION)
Hersteller: Yamaha
OEM Nummer: 90209-11826 (9020911826)
Kategorien: Allgemein, Lüfter
1997
XC150LC
FLY ONE (XC150LC)
1992
XC150LC
Yamaha Motor Co., Ltd.
YAMAHA MOTOR EUROPE N.V.
Hansemannstraße 12, 41468 Neuss
Postfach 21 06 53, 41432 Neuss
Deutschland
https://global.yamaha-motor.com/
https://www.yamaha-motor.eu/de