Artikelname: DICHTSCHEIBE (WASHER, SEAL)
Hersteller: Yamaha
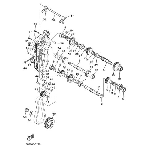
OEM Nummer: 90210-10004 (9021010004)
Kategorien: Allgemein
2019
VK540V (VK540F)
2005
VK540 III (VK540III)
2004
VK540 III (VK540E-3)
2003
VK540 III (VK540E-3)
1997
VK540 II (VK540E-2)
BR250L
VENTURE TF (VT480TF)
ENTICER II (ET410TR)
MOUNTAIN MAX 800 (VX800ST)
VENTURE TR (VT480TR)
VMAX-4 800 (VX800)
BR250TL
1996
VMAX 600DX (VX600DX)
BRAVO (BR250T)
VK540 II (VK540E-2)
ET340PK
ET340TK
BR250
VMAX 500XT (VX500XT)
VMAX 500 ST (VX500ST)
VMAX 800ST (VX800ST)
VMAX 600DX (VX600XT)
ENTICER II (ET410TR)
ET340K
VMAX 500 (VX500)
VMAX 500DX (VX500DX)
ET340TRK
VENTURE (VT480TR)
VMAX 800 (VX800)
VENTURE (VT480TF)
1995
VMAX 600 (VX600)
PHAZER II ST (PZ480ST)
BRAVO (BR250T)
VMAX 600 ST (VX600ST)
VENTURE 480TF (VT480TF)
VT480TF
VMAX 4 (VX800)
VX600ST
VMAX 4 ST (VX800ST)
VX600
PHAZER II E (PZ480E)
VX500ST
1994
VIKING (VK540E)
VX600ST
PHAZER II ST (PZ480ST)
BRAVO TRAPPER (BR250T)
VX600
VMAX 4 (VX750)
VX500ST
VX500
1993
VENTURE 480 (VT480)
ENTICER II (ET410TR)
EXCITER II SX (EX570SX)
VMAX 4 (VX750)
1992
VMAX 4 (VX750)
EX570
EXCITER II E (EX570E)
1991
EX570
OVATION (CS340E)
VIKING (VK540)
PZ480STR
1990
BR250TFP
EXCITER II (EX570P)
PZ480EP
PX480P
VK540P
SR540P
EX570H
CS340P
VK540VP
ET400TRP
1989
VK540N
ET400TRN
BR250TFN
SR540N
EX570
1988
EX570
ET340P
XL540L
PZ480
ET340T
PZ480E
ET400TN
BR250TF
BR250
VK540 (VK540)
SR540
CS340N
ET340
ET340TR
1987
XL540L
ET340L
ET340TL
ET340TRL
PZ480L
SR540L
EX570
ET340PL
1986
PZ480K
Yamaha Motor Co., Ltd.
YAMAHA MOTOR EUROPE N.V.
Hansemannstraße 12, 41468 Neuss
Postfach 21 06 53, 41432 Neuss
Deutschland
https://global.yamaha-motor.com/
https://www.yamaha-motor.eu/de