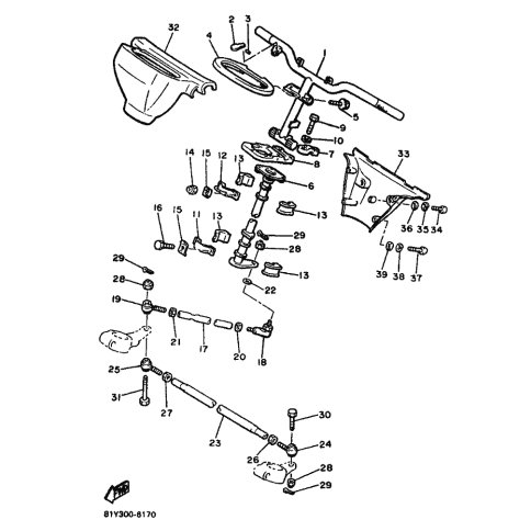
Artikelname: SICHERUNGSSCHEIBE (WASHER, LOCK)
Hersteller: Yamaha
OEM Nummer: 90215-08208 (9021508208)
Kategorien: Lenkung
1986
PZ480K
Yamaha Motor Co., Ltd.
YAMAHA MOTOR EUROPE N.V.
Hansemannstraße 12, 41468 Neuss
Postfach 21 06 53, 41432 Neuss
Deutschland
https://global.yamaha-motor.com/
https://www.yamaha-motor.eu/de