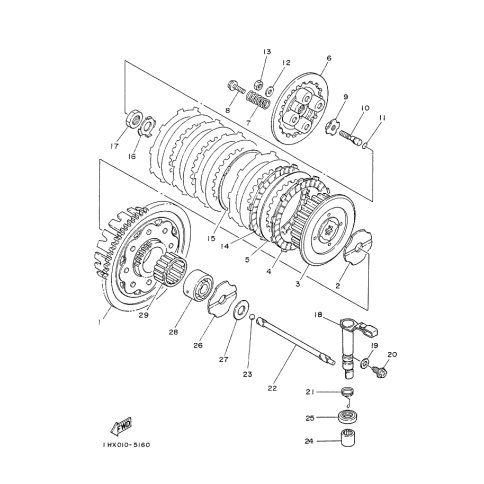
Artikelname: SICHERUNGSSCHEIBE (WASHER, LOCK)
Hersteller: Yamaha
OEM Nummer: 90215-14224 (9021514224)
Kategorien: Kurbelgehäuse, Kupplung
1994
FZR250R
1993
AG200E
FZR250R
XT225 (XT225)
1992
TIMBERWOLF (YFB250)
SR125
1991
FZR250R
TW200
XT125
1990
YZ125
MOTO 4 - 250 (YFM250)
PRO HAULER (YFU1T)
YFM200DX (YFM200DX)
FZR250R
1989
TW200E
SR125
FZR250R
PRO HAULER (YFU1)
1988
XT125
1987
FZR250
SEROW (XT225)
TW200
1986
YFM225N (YFM225N)
Yamaha Motor Co., Ltd.
YAMAHA MOTOR EUROPE N.V.
Hansemannstraße 12, 41468 Neuss
Postfach 21 06 53, 41432 Neuss
Deutschland
https://global.yamaha-motor.com/
https://www.yamaha-motor.eu/de