Artikelname: MASSIVBUCHSE (BUSH, SOLID)
Hersteller: Yamaha
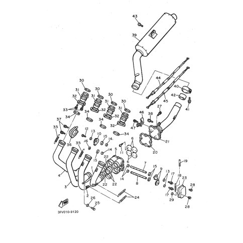
OEM Nummer: 90380-10197 (9038010197)
Kategorien: Auspuff
1997
GENESIS (FZR600)
1996
GENESIS (FZR600)
1995
GENESIS (FZR600)
1994
FZR400RR-SP
FZR250R
1993
FZR250R
1992
FZR400RR-SP
FZR400RR
1990
FZR400RR
FZR750R
1989
FZR750R
Yamaha Motor Co., Ltd.
YAMAHA MOTOR EUROPE N.V.
Hansemannstraße 12, 41468 Neuss
Postfach 21 06 53, 41432 Neuss
Deutschland
https://global.yamaha-motor.com/
https://www.yamaha-motor.eu/de