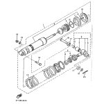
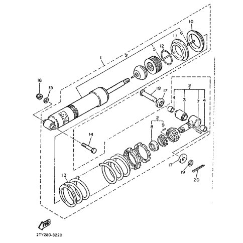
Artikelname: MASSIVBUCHSE (BUSH, SOLID)
Hersteller: Yamaha
OEM Nummer: 90380-14130 (9038014130)
Kategorien: Heckaufhängung, Heck & Federung, Hinterradaufhängung
2002
XT600E
2000
XT600E
1999
XT600E
1998
XT600E
1997
XT600E
1996
TENERE (XTZ660)
XT600E
1995
XT600E
XT500E
1994
XT600
XT500E
TENERE (XTZ660)
XT600E
XTZ660
1993
XT600E
XT600
XTZ660
XT500E
1992
XTZ660
XT600
XT500E
XT600E
XT400E
1991
XT600E
XTZ660
XT500E
XT600
1990
XT600E
TENERE (XT600Z)
XT500E
1989
XT500Z
TENERE (XT600Z)
XT600
XT500T
1988
TENERE (XT600Z)
XT500T
XT500Z
XT600
1987
XT600
XT500Z
XT600N
XT600Z
1986
XT600
XT600Z
XT500L
XT600ZS
Yamaha Motor Co., Ltd.
YAMAHA MOTOR EUROPE N.V.
Hansemannstraße 12, 41468 Neuss
Postfach 21 06 53, 41432 Neuss
Deutschland
https://global.yamaha-motor.com/
https://www.yamaha-motor.eu/de