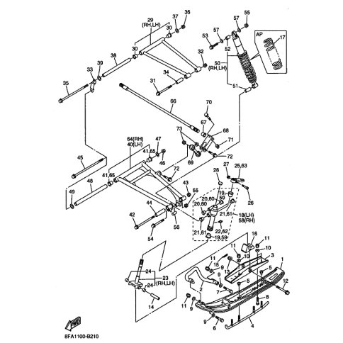
Artikelname: MASSIVBUCHSE (BUSH, SOLID)
Hersteller: Yamaha
OEM Nummer: 90381-16N51 (9038116N51)
Kategorien: Allgemein
2019
VK PROFESSIONAL II EPS (VK10G)
2006
RX-1 Mountain (RX10M)
2005
RSVenture (RS10VT)
RSVenture TF (RSV10)
2004
RX-1 ER (RX10R)
RXWarrior (RX10)
2003
RX-1 Mountain (RX10M)
RX-1 ER (RX10R)
Yamaha Motor Co., Ltd.
YAMAHA MOTOR EUROPE N.V.
Hansemannstraße 12, 41468 Neuss
Postfach 21 06 53, 41432 Neuss
Deutschland
https://global.yamaha-motor.com/
https://www.yamaha-motor.eu/de