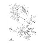
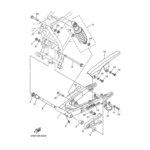
Artikelname: MASSIVBUCHSE (BUSH, SOLID)
Hersteller: Yamaha
OEM Nummer: 90381-18800 (9038118800)
Kategorien: Heck & Federung
2004
XTZ125E
Yamaha Motor Co., Ltd.
YAMAHA MOTOR EUROPE N.V.
Hansemannstraße 12, 41468 Neuss
Postfach 21 06 53, 41432 Neuss
Deutschland
https://global.yamaha-motor.com/
https://www.yamaha-motor.eu/de