Artikelname: GEFORMTE BIMETALL-BUCHSE (BUSH, BIMETAL FORMED)
Hersteller: Yamaha
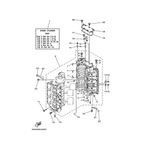
OEM Nummer: 90384-06M07 (9038406M07)
Kategorien: Allgemein
2011
115C
2010
200F
L250G
L200F
250G
115C
2009
L200F
115C
200F
2008
L250G
115C
250G
200F
L200F
2007
L250G
150F
Z150P
130B
200F
Z200N
LZ250D
LZ300A
Z150Q
L200F
Z175G
Z250F
Z200P
Z300A
250G
Z250D
LZ200N
115C
LZ150P
2006
LZ200N
150F
Z300A
L250G
Z150Q
Z200N
L200F
LZ250D
Z175G
Z250F
LZ300A
115C
250G
200F
L250A
130B
250A
Z200P
Z250D
Z150P
LZ150P
2005
LZ250D
Z250F
130B
150F
Z300A
Z150P
L200F
250A
200F
Z200P
LZ200N
Z200N
LZ150P
115C
L250A
Z175G
LZ300A
Z250D
Z150Q
2004
Z200P
Z300A
Z200N
150F
Z250D
Z150Q
Z250F
200F
Z175G
115C
LZ150P
LZ250D
Z150P
130B
250A
LZ300A
LZ200N
L250A
L200F
2003
Z250D
Z200N
225D
Z175G
L250B
Z150Q
200F
LZ250D
Z250F
150F
Z150P
200G
250A
L200F
175D
L250A
225F
Z200P
250B
115C
LZ150P
225G
L150F
LZ200N
130B
2002
Z150Q
225D
Z200N
150F
225G
LZ200N
250B
Z175G
130B
Z150P
200G
L250A
175D
115B
D150H
LZ150P
L200F
200F
115C
L250B
2001
LZ150P
115C
L150F
Z150Q
LZ200N
225G
Z150P
225D
130B
L250A
D150H
Z200N
200G
175D
Z175H
200F
115B
L200F
L250B
150F
100A
250A
VZ200T
250B
Z175G
L130B
2000
130B
LZ200N
150F
115B
L250A
L150F
LZ150P
L130B
225G
L200F
Z200N
115C
250A
200G
Z150P
Z150Q
100A
250B
200F
225D
175D
L250B
1999
225G
200G
D150H
130BETO
1998
115B
L200F
115C
250B
L250B
L130BETO
225D
L150F
130BETO
1997
L150F
115B
225D
175F
175D
L250B
L130BETO
200F
250B
130B
L200F
100A
150G
250A
200G
SL250AETO
150F
115C
1996
L200F
100A
225D
250A
200F
150F
L250AET
115B
L150F
200G
175D
1995
250A
150C
225C
L130BETO
115B
130B
L225C
ProV200
115C
L200BETO
L250A
200B
175B
L150CETO
1994
130B
L150CETO
115C
L250AET
L225CETO
ProV200
150C
L130BETO
200B
175B
L200BETO
225C
250A
225B
1993
175B
200CETO
200B
L250AET
115C
250AET
L200BETO
225B
115B
130B
L130BETO
L150CETO
150C
1992
250AETO
115C
150C
200CETO
115B
225B
L130BETO
L200BETO
L250AETO
130B
200B
L150CETO
175B
1991
250AETO
115B
L130BETO
PROV200
175B
L200BETO
225B
L250AETO
L150CETO
150C
130B
200B
1990
250ETD
L150CETO
L250AETO
130B
115B
115C
150C
225B
L200ETD
175B
200ETD
Yamaha Motor Co., Ltd.
YAMAHA MOTOR EUROPE N.V.
Hansemannstraße 12, 41468 Neuss
Postfach 21 06 53, 41432 Neuss
Deutschland
https://global.yamaha-motor.com/
https://www.yamaha-motor.eu/de