Artikelname: HULSE (COLLAR)
Hersteller: Yamaha
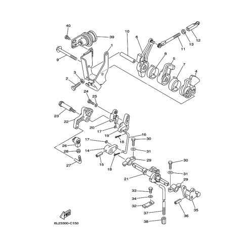
OEM Nummer: 90387-06M18 (9038706M18)
Kategorien: Allgemein, Tacho
2016
25N
2015
25N
2014
25N
2013
25N
2012
25N
25N Y12
2011
20D
25N
2010
20D
25N
2009
20D
25N
2008
20D
25N
2007
25N
20D
2006
25N
20D
2005
20D
25N
2004
20D
25N
2003
20D
25N
2002
25N
20D
2001
20D
25N
1998
20D
25N
1997
25N
25D
1995
25N
25D
1994
25N
20D
1993
25N
20D
1992
25N
20DEO
1991
25N
20DEO
1990
20D
25D
25N
1989
25N
25D
1988
25N
20DM
Yamaha Motor Co., Ltd.
YAMAHA MOTOR EUROPE N.V.
Hansemannstraße 12, 41468 Neuss
Postfach 21 06 53, 41432 Neuss
Deutschland
https://global.yamaha-motor.com/
https://www.yamaha-motor.eu/de