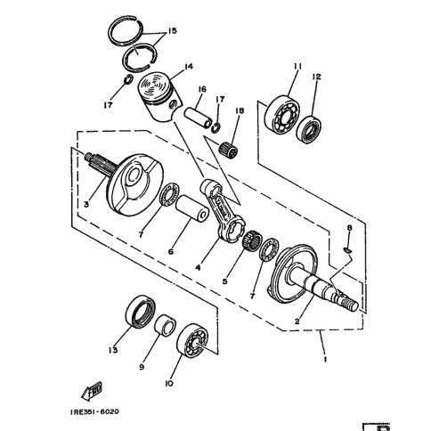
Artikelname: HULSE (COLLERETTE)
Hersteller: Yamaha
OEM Nummer: 90387-167E4 (90387167E4)
Kategorien: Allgemein
1986
DT50E
Yamaha Motor Co., Ltd.
YAMAHA MOTOR EUROPE N.V.
Hansemannstraße 12, 41468 Neuss
Postfach 21 06 53, 41432 Neuss
Deutschland
https://global.yamaha-motor.com/
https://www.yamaha-motor.eu/de