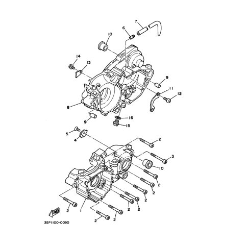
Artikelname: HULSE (COLLAR)
Hersteller: Yamaha
OEM Nummer: 90387-1712Y (903871712Y)
Kategorien: Kurbelgehäuse
2001
YZ426F (YZ426F)
YZ250
YZ250F (YZ250F)
WR426F (WR426F)
WR250F (WR250F)
YZ125
WR400F
2000
YZ250
YZ426F (YZ426F)
WR400F
YZ125
1999
YZ125
WR400F
YZ400F
YZ250
1998
WR250Z
YZ125
YZ250
YZ400F
WR400F
Yamaha Motor Co., Ltd.
YAMAHA MOTOR EUROPE N.V.
Hansemannstraße 12, 41468 Neuss
Postfach 21 06 53, 41432 Neuss
Deutschland
https://global.yamaha-motor.com/
https://www.yamaha-motor.eu/de