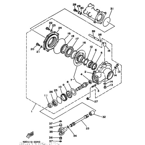
Artikelname: SCHLAUCH (HOSE)
Hersteller: Yamaha
OEM Nummer: 90445-073E3 (90445073E3)
Kategorien: Antriebswelle
1997
TIMBERWOLF (YFB250)
YFB250U (YFB250U)
1996
TIMBERWOLF 4WD (YFB250FW)
1995
TIMBERWOLF (YFB250)
TIMBERWOLF 4WD (YFB250FW)
1994
TIMBERWOLF 4WD (YFB250FW)
TIMBERWOLF (YFB250)
1992
TIMBERWOLF (YFB250)
Yamaha Motor Co., Ltd.
YAMAHA MOTOR EUROPE N.V.
Hansemannstraße 12, 41468 Neuss
Postfach 21 06 53, 41432 Neuss
Deutschland
https://global.yamaha-motor.com/
https://www.yamaha-motor.eu/de