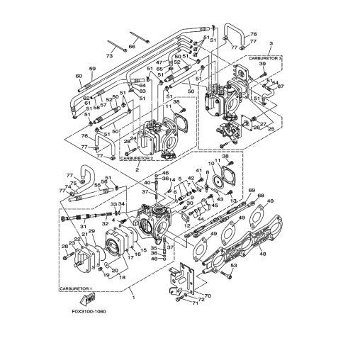
Artikelname: SCHLAUCH (HOSE)
Hersteller: Yamaha
OEM Nummer: 90445-07M60 (9044507M60)
Kategorien: Vergaser
2006
XLT1200 (XA1200A-E)
2005
XLT1200 (XA1200A)
2004
XLT1200 (XA1200A-C)
2003
XLT1200 (XA1200A-B)
GP1200R (GP1200A-B)
2002
ENG FOR GP1200
GP1200R (GP1200A-A)
XLT1200 (XA1200-A)
2001
ENG FOR GP1200
XLT1200 (XA1200A-Z)
GP1200R (GP1200A-Z)
2000
XL1200LTD (MJ1200XL)
ENG FOR XA1200
GP1200 (GP1200AY)
ENG FOR GP1200
1999
XA1200X
ENG FOR XA1200
Yamaha Motor Co., Ltd.
YAMAHA MOTOR EUROPE N.V.
Hansemannstraße 12, 41468 Neuss
Postfach 21 06 53, 41432 Neuss
Deutschland
https://global.yamaha-motor.com/
https://www.yamaha-motor.eu/de