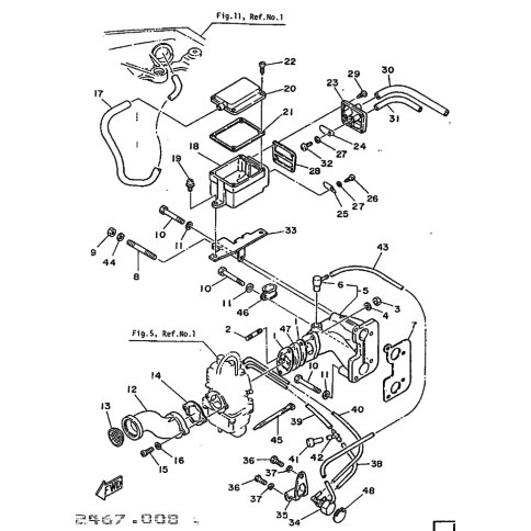
Artikelname: SCHLAUCH (HOSE)
Hersteller: Yamaha
OEM Nummer: 90445-08ME1 (9044508ME1)
Kategorien: Einlass
1985
F9.9B
F8BM
F9.9A
Yamaha Motor Co., Ltd.
YAMAHA MOTOR EUROPE N.V.
Hansemannstraße 12, 41468 Neuss
Postfach 21 06 53, 41432 Neuss
Deutschland
https://global.yamaha-motor.com/
https://www.yamaha-motor.eu/de