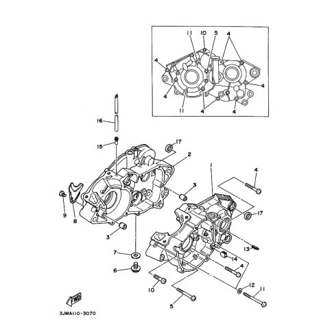
Artikelname: SCHLAUCH (HOSE)
Hersteller: Yamaha
OEM Nummer: 90445-09019 (9044509019)
Kategorien: Kurbelgehäuse
2007
BLASTER (YFS200)
2006
BLASTER (YFS200)
2005
BLASTER (YFS200)
2004
BLASTER (YFS200)
2003
BLASTER (YFS200)
Yamaha Motor Co., Ltd.
YAMAHA MOTOR EUROPE N.V.
Hansemannstraße 12, 41468 Neuss
Postfach 21 06 53, 41432 Neuss
Deutschland
https://global.yamaha-motor.com/
https://www.yamaha-motor.eu/de