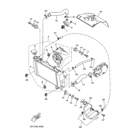
Artikelname: SCHLAUCH (HOSE)
Hersteller: Yamaha
OEM Nummer: 90445-09X03 (9044509X03)
Kategorien: Kühler & Schlauch
2018
YZF-R125 (YZF-R125A)
2017
YZF-R125 ABS (YZF-R125A)
2016
YZF-R125 ABS (YZF-R125A)
YZF-R125 (YZF-R125)
2015
YZF-R125 (YZF-R125)
YZF-R125 ABS (YZF-R125A)
2014
YZF-R125 (YZF-R125)
2013
YZF-R125 (YZF-R125)
2012
YZF-R125 (YZF-R125)
2011
YZF-R125 (YZF-R125)
2010
YZF-R125 (YZF-R125)
2009
YZF-R125 (YZF-R125)
2008
YZF-R125 (YZF-R125)
Yamaha Motor Co., Ltd.
YAMAHA MOTOR EUROPE N.V.
Hansemannstraße 12, 41468 Neuss
Postfach 21 06 53, 41432 Neuss
Deutschland
https://global.yamaha-motor.com/
https://www.yamaha-motor.eu/de