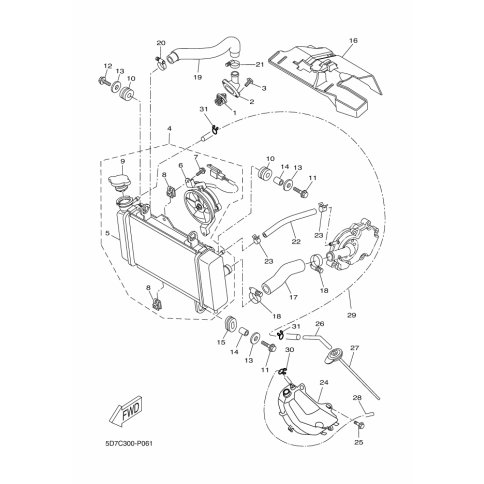
Artikelname: SCHLAUCH (HOSE)
Hersteller: Yamaha
OEM Nummer: 90445-09X05 (9044509X05)
Kategorien: Kühler & Schlauch
2019
MT-125 ABS (MT125-A)
2018
MT-125 ABS (MT125-A)
2017
MT-125 ABS (MT125-A)
2016
MT-125 (MT125)
MT-125 ABS (MT125-A)
2015
MT-125 (MT125)
MT-125 ABS (MT125A)
Yamaha Motor Co., Ltd.
YAMAHA MOTOR EUROPE N.V.
Hansemannstraße 12, 41468 Neuss
Postfach 21 06 53, 41432 Neuss
Deutschland
https://global.yamaha-motor.com/
https://www.yamaha-motor.eu/de