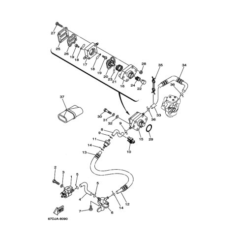
Artikelname: SCHLAUCH (DURITE)
Hersteller: Yamaha
OEM Nummer: 90445-10M39 (9044510M39)
Kategorien: Allgemein
2000
F4A
1998
F4A
Yamaha Motor Co., Ltd.
YAMAHA MOTOR EUROPE N.V.
Hansemannstraße 12, 41468 Neuss
Postfach 21 06 53, 41432 Neuss
Deutschland
https://global.yamaha-motor.com/
https://www.yamaha-motor.eu/de