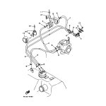
Artikelname: SCHLAUCH (HOSE)
Hersteller: Yamaha
OEM Nummer: 90445-10M45 (9044510M45)
Kategorien: Tank
1996
FX700
WRA650T
1994
FX700
MJ700TL
1993
WRA650S
1992
WRA650S
1990
WRA650S
Yamaha Motor Co., Ltd.
YAMAHA MOTOR EUROPE N.V.
Hansemannstraße 12, 41468 Neuss
Postfach 21 06 53, 41432 Neuss
Deutschland
https://global.yamaha-motor.com/
https://www.yamaha-motor.eu/de