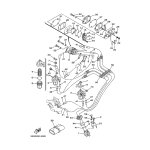
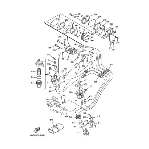
Artikelname: SCHLAUCH (HOSE (L660))
Hersteller: Yamaha
OEM Nummer: 90445-10M49 (9044510M49)
Kategorien: Allgemein, Tank
2003
EK9.9H
2001
FT50B
F50A
F40A
1990
250ETD
L250AETO
Yamaha Motor Co., Ltd.
YAMAHA MOTOR EUROPE N.V.
Hansemannstraße 12, 41468 Neuss
Postfach 21 06 53, 41432 Neuss
Deutschland
https://global.yamaha-motor.com/
https://www.yamaha-motor.eu/de