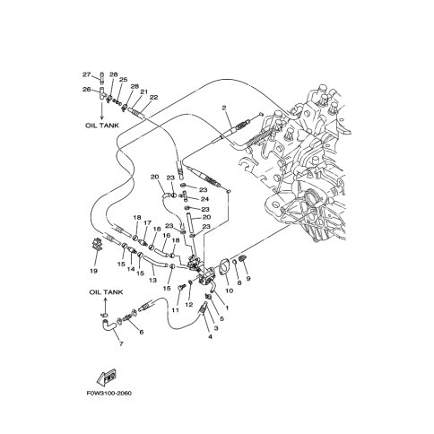
Artikelname: SCHLAUCH (HOSE (L600))
Hersteller: Yamaha
OEM Nummer: 90445-11012 (9044511012)
Kategorien: Ölpumpe, Allgemein
2007
F225A
F200A
FL225A
FL200A
2006
FL200A
FL225A
F225A
F200A
2005
FL225A
F200A
FL200A
F225A
2004
JET FOR F1F
FL225A
XLT800 (XA800A-C)
FL200A
F225A
F200A
2003
JET FOR F1F
XLT800 (XA800A-B)
F200A
F225A
FL225A
FL200A
2002
XLT800 (XA800A-A)
JET FOR F1F
2001
XL800 (WAVERUNNER X)
JET FOR XA800
2000
JET FOR XA800
XL800 (XA800Y)
Yamaha Motor Co., Ltd.
YAMAHA MOTOR EUROPE N.V.
Hansemannstraße 12, 41468 Neuss
Postfach 21 06 53, 41432 Neuss
Deutschland
https://global.yamaha-motor.com/
https://www.yamaha-motor.eu/de